Котельная на 1,8 МВт
Строительство котельной на 1,8 МВт в с. Туора-Кюель Чурапчинского улуса (РСЯ)

Заказчик: ООО "КСК Лидер"
Описание объекта

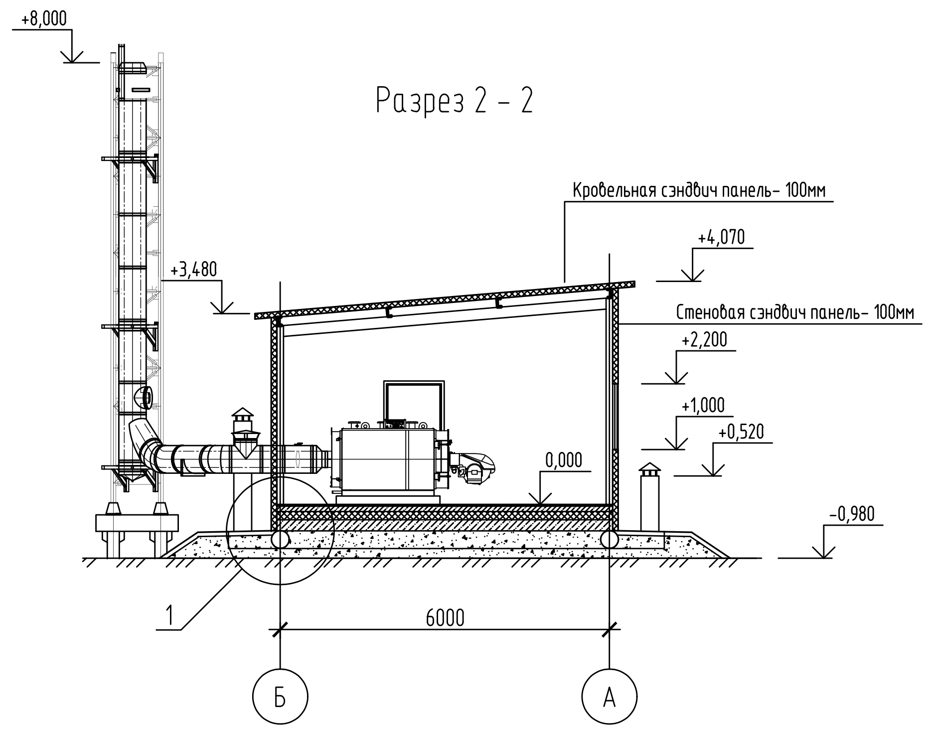
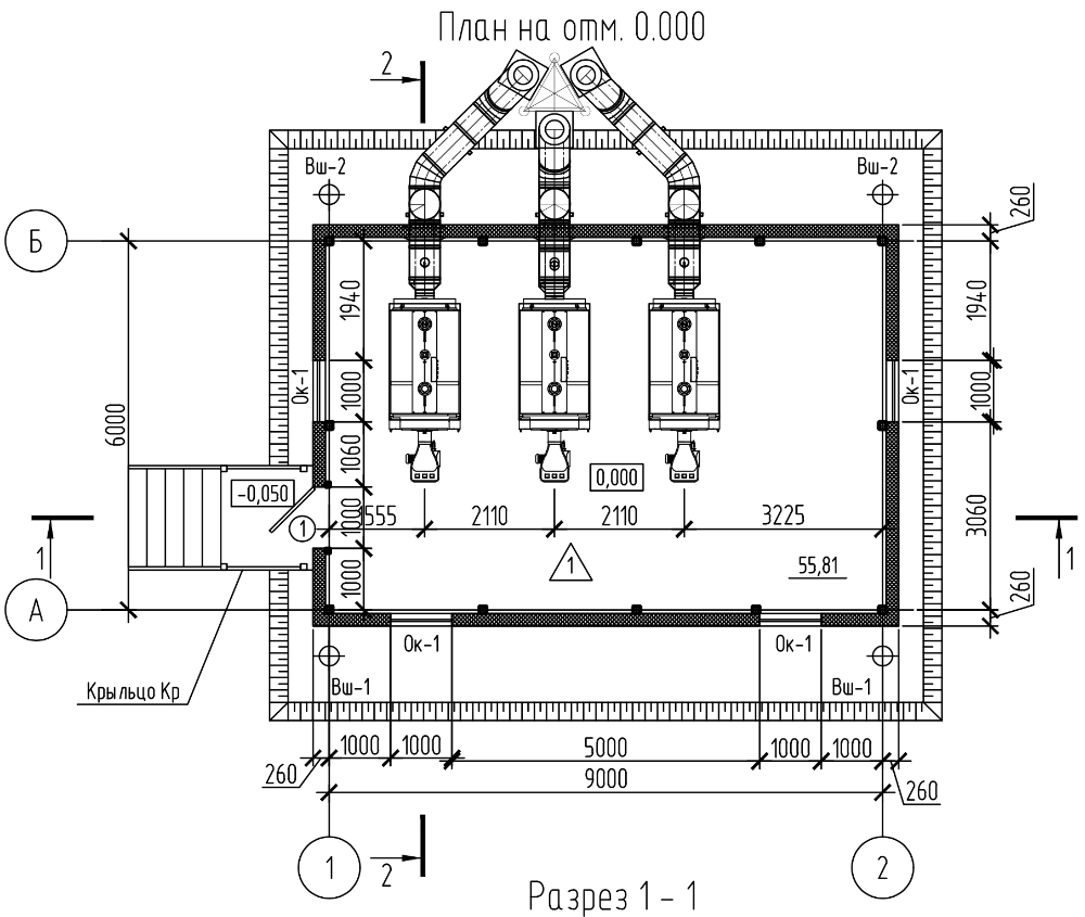
Проектируемое здание котельной представляет собой одноэтажное здание прямоугольной формы. Размеры в осях 9х6 м. Высота помещений в чистоте (от пола до потолка) составляет 3,41м. Высота здания (архитектурная) – 4,070 м.


Проектируемое здание котельной представляет собой одноэтажное здание прямоугольной формы. Размеры в осях 9х6 м. Высота помещений в чистоте (от пола до потолка) составляет 3,41м. Высота здания (архитектурная) – 4,070

Объемно-планировочное решение принято из условия размещения необходимого технологического оборудования, требуемой нормальной функциональной работы и соблюдения требований пожарной безопасности для своевременной и безопасной эвакуации людей.
Планировочное решение и предельные параметры разрешенного строительства соответствуют всем требуемым параметрам.

Проектом предусмотрены архитектурные, функционально-технологические, конструктивные и инженерно-технические решения, позволяющие инженерным системам здания минимизировать капитальные и эксплуатационные затраты на поддержание требуемых параметров микроклимата. Проектом предусмотрены строительные материалы, изделия и конструкции, которые
обладают свойствами, обеспечивающими требования энергосбережения и энергоэффективности. Строительные материалы, изделия и конструкции, выполняющие функции теплоизоляции зданий и сооружений, по теплофизическим характеристикам соответствуют законодательству об энергосбережении.




Утепление наружных ограждающих конструкций из эффективных материалов:
  • в цокольном перекрытии экструдированные пенополистирольные плиты «Пеноплекс 45» толщиной 150 мм;
  • в наружных стенах – жесткие минераловатные плиты ПЖ-120 по ГОСТ 9573-2012 толщиной 100 мм;
  • кровля совмещенная – жесткие минераловатные плиты ПЖ-120 по ГОСТ 9573-2012 толщиной 100 мм;
  • Заполнение оконных проемов предусматривается из блоков по ГОСТ 12506 81 для производственных зданий.
  • Наружные двери – утепленные с уплотнителем по ГОСТ 31173-2003.



Для обеспечения соблюдения установленных требований энергетической эффективности устанавливается следующий перечень мероприятий:
- Использование компактной формы здания, обеспечивающей существенное снижение расхода тепловой энергии на отопление здания;
  • Использование в наружных ограждающих конструкциях эффективных теплоизоляционных материалов, обеспечивающих требуемую температуру и отсутствие конденсации влаги на внутренних поверхностях конструкций внутри помещений с нормальным влажностным режимом;
  • Обеспечение заданных параметров микроклимата, необходимых для жизнедеятельности людей и работы технологического или бытового оборудования.

Наружные стены, кровля – панели трехслойные стеновые с утеплителем минераловатных плит, толщиной 100 мм. Наружный облик, цвет панелей, принять по согласованию с главным архитектором улуса.
Согласно требований СП 89.13330.2011 п. 3,16 конструкции наружных стен по оси А предусмотрены легко сбрасываемыми

Архитектурно-планировочные решения, принятые по проекту, обеспечивают комфортные условия работы здания. Защита от наружного шума предусматривается устройством в наружных ограждающих конструкциях с эффективными теплоизоляционными материалами, обеспечивающими требуемую звукоизоляцию, утепленными дверными блоками.



Другие проекты
Made on
Tilda